ILM741CN NOPB Datasheet: Everything You Need To Know

O.Franklymedia 81 views
ILM741CN NOPB Datasheet: Everything You Need To Know

ILM741CN NOPB Datasheet: Everything You Need to Know

Hey there, tech enthusiasts! Are you diving into the world of op-amps and stumbled upon the ILM741CN NOPB ? Well, you’ve come to the right place! This article is your comprehensive guide, packed with everything you need to know about this nifty little component. We’ll break down the datasheet, explore its key features, discuss its applications, and even touch upon how to use it effectively. So, buckle up, grab your coffee, and let’s get started!

Decoding the ILM741CN NOPB: What’s the Deal?

First things first, let’s address the elephant in the room: What exactly is an ILM741CN NOPB ? It’s essentially an operational amplifier, or op-amp, a versatile building block in analog circuits. The “741” part of the name refers to a classic op-amp, known for its widespread use and relatively simple design. The “CN” indicates the package type, and “NOPB” stands for “No Lead, Operational, Package Body,” which signifies that it’s a lead-free component, meeting environmental standards. This op-amp is like the swiss army knife of electronics; it can amplify signals, perform mathematical operations, and even act as a filter. The ILM741CN NOPB datasheet is your go-to resource for understanding its specifications, pin configuration, and performance characteristics. Think of it as the user manual for this tiny, yet powerful, component. The datasheet provides crucial information, including the op-amp’s voltage range, current consumption, gain, and frequency response. Armed with this knowledge, you can design and build circuits that meet your specific needs. Understanding the ILM741CN NOPB datasheet is the first step toward harnessing the full potential of this op-amp. It’s like learning the secret language of electronics, unlocking the ability to manipulate and control signals with precision.

Key Features and Specifications

Now, let’s delve into the exciting stuff: the key features and specifications of the ILM741CN NOPB . Understanding these aspects is crucial for making informed decisions about your circuit design. The ILM741CN NOPB typically boasts the following: a wide operating voltage range, making it adaptable to various power supply setups. It generally has a moderate gain, allowing it to amplify signals effectively. Its input bias current is usually relatively low, minimizing errors in your circuit. The op-amp also features short-circuit protection, safeguarding it from damage. Its common-mode rejection ratio (CMRR) is pretty decent, helping to reject unwanted noise signals. The ILM741CN NOPB is available in various package types, such as the 8-pin DIP (Dual Inline Package), making it easy to integrate into your projects. The datasheet provides detailed information on each of these specifications, including specific values, operating conditions, and performance curves. This data will guide you in making informed design choices. The key is to match the op-amp’s characteristics to the requirements of your application. For instance, if you need to amplify a very weak signal, you’ll need to consider the op-amp’s gain and input bias current. Conversely, if you’re working with noisy signals, you’ll want to pay attention to its CMRR. The ILM741CN NOPB datasheet will be your best friend when exploring these features.

Pin Configuration and Functionality: Knowing the Connections

Alright, let’s talk connections! Understanding the pin configuration of the ILM741CN NOPB is essential for any successful project. Typically, the 8-pin DIP package of the ILM741CN NOPB looks like this: Pin 1: Offset Null, used for minimizing output voltage offset. Pin 2: Inverting Input, where the negative input signal goes. Pin 3: Non-inverting Input, where the positive input signal goes. Pin 4: -VCC, the negative power supply voltage. Pin 5: Offset Null, another pin for output voltage adjustment. Pin 6: Output, the amplified output signal. Pin 7: +VCC, the positive power supply voltage. Pin 8: NC (No Connection), or sometimes used for offset nulling. The pinout might seem a bit daunting at first, but don’t worry, it’s pretty straightforward once you get the hang of it. Each pin has a specific function, and connecting them correctly is crucial for the op-amp to work as intended. For example, the inverting and non-inverting inputs are where you feed in your input signals, and the output pin provides the amplified result. The +VCC and -VCC pins provide the power supply, without which, the op-amp simply won’t function. The offset null pins allow you to fine-tune the output voltage to minimize any unwanted offset errors. Reading the ILM741CN NOPB datasheet carefully, especially the pin configuration diagram, can prevent wiring mistakes and ensure your circuit operates flawlessly. Correctly connecting the pins is like the foundation of a house; if it’s not strong, the whole structure will crumble. By thoroughly understanding the pinout, you’ll be well on your way to building robust and reliable circuits using the ILM741CN NOPB .

Practical Applications: Where Does It Shine?

So, where does this little op-amp shine? The ILM741CN NOPB is a versatile component with a wide range of applications. It is frequently used for audio amplification in preamps, headphone amplifiers, and other audio circuits. In signal conditioning, it can amplify, filter, and modify analog signals for sensor interfaces and data acquisition systems. It is also found in instrumentation amplifiers, which are used to amplify small differential signals while rejecting common-mode noise. Comparators are another area where it can be applied, comparing two input voltages and providing a digital output based on the comparison. Additionally, the ILM741CN NOPB can be used in active filters, such as low-pass, high-pass, and band-pass filters, to shape the frequency response of a circuit. Because of its versatility, the ILM741CN NOPB is ideal for educational purposes and introductory electronics projects. This is an excellent choice for beginners to experiment with op-amp circuits. The ILM741CN NOPB is a workhorse in electronics, providing countless opportunities for creative circuit design. To get started, consider the specific application and its requirements. For example, if you’re building an audio amplifier, you’ll need to consider the gain, frequency response, and noise characteristics. The ILM741CN NOPB datasheet provides valuable insights into how to use the op-amp in various configurations. With a little creativity and knowledge, you can create exciting and functional circuits. Remember, practice and experimentation are key to mastering the use of this fascinating component.

Diving into the Datasheet: A Closer Look

Now, let’s get into the meat and potatoes of this guide: the ILM741CN NOPB datasheet itself. The datasheet is your primary source of information, providing you with detailed specifications, performance curves, and application notes. Here’s a breakdown of what you can typically find in a datasheet: Electrical Characteristics: Voltage range, current consumption, gain, input bias current, offset voltage, CMRR, and slew rate. Absolute Maximum Ratings: These are the limits beyond which the op-amp can be damaged. Operating Conditions: Recommended operating voltage ranges and temperature ranges. Pin Configuration: A diagram showing the pinout and their respective functions. Typical Performance Characteristics: Graphs and charts that illustrate how the op-amp performs under different conditions. Application Information: Suggestions and examples of how to use the op-amp in various circuits. By carefully reading and understanding the datasheet, you’ll gain a thorough understanding of the op-amp’s capabilities and limitations. Pay close attention to the electrical characteristics, as they will directly impact your circuit design. Check the absolute maximum ratings to ensure you don’t exceed the safe operating parameters. Study the application information for inspiration and design guidance. The ILM741CN NOPB datasheet is an essential resource for anyone working with this op-amp. It will guide you through the intricacies of the component and help you make informed design decisions. Consider it your key to unlocking the power of the ILM741CN NOPB .

Voltage Range, Gain, and Other Key Parameters

Let’s zoom in on some of the key parameters you’ll find in the ILM741CN NOPB datasheet . The operating voltage range is crucial. Ensure your power supply voltage falls within the recommended range. The gain determines how much the op-amp amplifies the input signal. High gain amplifies signals significantly, while low gain provides less amplification. Input bias current is important for precision. The lower the current, the better. Common-mode rejection ratio (CMRR) is critical for rejecting noise. A higher CMRR is better for noisy environments. Slew rate defines the op-amp’s speed. Higher slew rate enables faster signal processing. Other key parameters include input offset voltage, which represents the output offset, and open-loop gain, which defines the gain without feedback. Understanding these parameters and their specifications is fundamental for building reliable circuits. The ILM741CN NOPB datasheet provides detailed information for each of these parameters, including typical values, minimum and maximum values, and test conditions. This data will guide you in choosing the right component for your specific application. The parameters directly impact the performance and functionality of your circuit. So, read the datasheet, understand these parameters, and make informed choices. This knowledge will set you up for success in your electronic endeavors.

Designing Circuits with the ILM741CN NOPB: Tips and Tricks

Alright, let’s talk about the practical stuff: designing circuits with the ILM741CN NOPB . Here are some tips and tricks to get you started: Select the right components, ensuring that your resistors, capacitors, and other components meet your design requirements. Choose the appropriate power supply voltage, ensuring it falls within the op-amp’s operating range. Use proper grounding techniques to reduce noise and interference. Add decoupling capacitors near the op-amp’s power supply pins to filter out noise. Apply negative feedback to control the gain and stability of your circuit. Consider the input signal’s amplitude and frequency when selecting the op-amp’s gain and bandwidth. Simulate your circuit using software tools to test its performance before building it. Always consult the ILM741CN NOPB datasheet for recommended component values and application circuits. Remember that careful planning and execution are essential for building successful circuits. The ILM741CN NOPB offers a lot of design possibilities. However, you’ll need to know the fundamentals of circuit design and understand how the op-amp works. Consider using breadboards for prototyping and testing your designs before soldering. With practice, you will become proficient in building circuits that use the ILM741CN NOPB .

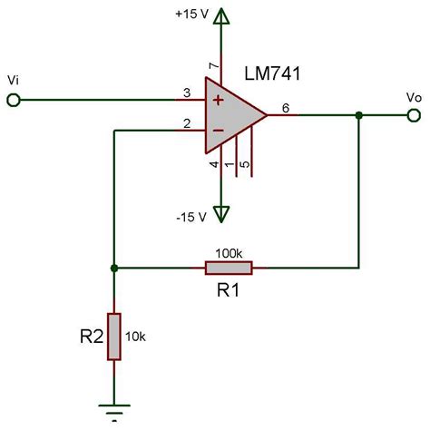
Common Circuit Configurations

The ILM741CN NOPB can be configured in various ways, with each configuration providing different functions. Here are some of the most common configurations: Inverting Amplifier: Amplifies and inverts the input signal. Non-inverting Amplifier: Amplifies the input signal without inverting it. Voltage Follower: Provides unity gain and isolates the input signal. Summing Amplifier: Sums multiple input signals. Difference Amplifier: Amplifies the difference between two input signals. Integrator: Performs mathematical integration of the input signal. Differentiator: Performs mathematical differentiation of the input signal. Comparator: Compares two input voltages and provides a digital output. You can find example circuits and design guidelines in the ILM741CN NOPB datasheet . When choosing the right configuration, consider your application’s requirements. For example, use the inverting amplifier to amplify and invert a signal, while the non-inverting amplifier is suitable for amplifying a signal without inverting it. You can explore different configurations through experimentation to understand their behavior. The ILM741CN NOPB is very versatile, and experimenting with various configurations opens up exciting possibilities. Start with simpler configurations, and gradually progress to more complex ones. Have fun, and be creative!

Troubleshooting and Best Practices: Avoiding Pitfalls

Even the best-designed circuits can sometimes run into trouble. Here are some troubleshooting tips and best practices for the ILM741CN NOPB : Check your power supply voltage, and ensure it falls within the recommended range. Verify the pin connections and make sure they are wired correctly. Inspect the component values to ensure they match the design requirements. Use a multimeter to measure the voltages and currents at various points in the circuit. Examine the signal waveforms using an oscilloscope. Isolate the problem by disconnecting different parts of the circuit. Check the datasheet for common problems and their solutions. Double-check your grounding techniques. Use shielding to reduce noise interference. By following these best practices, you can quickly identify and fix any issues that may arise. Reading the ILM741CN NOPB datasheet can help you troubleshoot and understand common op-amp problems. Don’t be afraid to experiment and learn from your mistakes. Troubleshooting is an essential part of the design process, and it helps you learn. With experience, you’ll become more skilled at identifying and fixing circuit problems. Always have the ILM741CN NOPB datasheet handy to guide you!

Common Problems and Solutions

Let’s address some of the common problems you may encounter when using the ILM741CN NOPB : Output Saturation: The output voltage reaches the positive or negative supply rail, and it means the input signal is too large or the gain is too high. Solutions include reducing the input signal, decreasing the gain, or increasing the supply voltage. Oscillation: The circuit is oscillating or generating unwanted signals. It is often caused by instability due to excessive gain, inadequate compensation, or improper grounding. Solutions include reducing the gain, using compensation capacitors, or improving the grounding. Offset Errors: An unwanted DC voltage appears at the output. These errors can be due to input offset voltage, component tolerances, or power supply noise. Solutions include using offset nulling, selecting components with tighter tolerances, or improving the power supply filtering. Noise and Interference: Undesired signals are present at the output. This can result from poor grounding, external noise sources, or inadequate shielding. Solutions include improving grounding, using shielding, or adding filtering. By being aware of these common problems and their solutions, you can efficiently troubleshoot and ensure your circuits operate as expected. Always consult the ILM741CN NOPB datasheet for additional troubleshooting tips and guidance. Being ready to address these challenges helps you create more reliable and high-performing circuits.

Conclusion: Your Journey with the ILM741CN NOPB

Congratulations! You’ve made it to the end of this comprehensive guide on the ILM741CN NOPB . You are now equipped with the knowledge to understand the datasheet, explore its key features, and design circuits using this popular op-amp. Remember that electronics is a journey, and there’s always more to learn. Keep experimenting, keep reading datasheets, and keep building! The ILM741CN NOPB is a fantastic component, and understanding it opens up a world of possibilities for your projects. Embrace the challenges, and enjoy the process of learning and creating. If you have any more questions, feel free to ask. Happy circuit building!