LM723 Power Supply: Schematics, Design, And Troubleshooting

O.Franklymedia 1 views
LM723 Power Supply: Schematics, Design, And Troubleshooting

LM723 Power Supply: Schematics, Design, and Troubleshooting

Hey guys! Let’s dive into the LM723 power supply , a classic and versatile integrated circuit (IC) that’s been a go-to for designing regulated power supplies for ages. This article is your ultimate guide, covering everything from the basics of the LM723 chip to detailed schematics, practical design considerations, and how to troubleshoot common problems. Whether you’re a seasoned electronics enthusiast or just starting out, you’ll find plenty of valuable information to help you understand and build your own LM723 power supply . Get ready to learn, and let’s get started!

Understanding the LM723 Voltage Regulator

First things first, what exactly is the LM723? Well, it’s a monolithic integrated circuit designed for use as a positive or negative voltage regulator. It’s a pretty flexible chip, capable of handling a wide range of input voltages and output currents. The LM723 is a favorite for folks building bench power supplies, adjustable voltage sources, and other applications where a stable, regulated voltage is crucial. Key features of the LM723 include adjustable output voltage, current limiting capabilities, and the ability to operate in both series and shunt regulator configurations. It’s like having a mini power supply lab on a single chip, how cool is that?

This little IC is packed with a bunch of handy features. It has an internal reference voltage source, error amplifier, and output transistor. This means it can take an unregulated input voltage and deliver a precisely regulated output voltage. The internal reference voltage is super important because it provides a stable voltage against which the output voltage is compared. The error amplifier then works its magic by comparing the output voltage to the reference voltage and adjusting the output transistor to maintain the desired output voltage. The output transistor is designed to drive external transistors for higher current applications, allowing you to build power supplies that can handle a significant load. The beauty of the LM723 is in its simplicity and adaptability. It’s a workhorse of a chip, and understanding how it works opens the door to building your own power supplies.

The LM723’s design makes it pretty easy to use. It requires only a few external components to function, meaning you don’t need to clutter up your circuit with too many extra parts. The datasheet is your best friend when working with the LM723, providing detailed specifications, application circuits, and performance characteristics. Reading the datasheet is key to understanding how to configure the chip for your specific needs. The datasheet is your technical bible, guiding you through the pin configurations, voltage ratings, and thermal considerations. Make sure you get to know the datasheet. It’s your map through the world of the LM723.

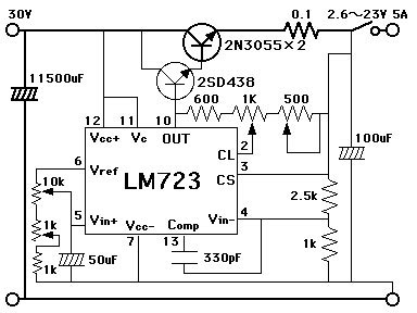
LM723 Power Supply Schematics: Basic Configurations

Let’s get into the nitty-gritty and check out some LM723 power supply schematics . The LM723 can be configured in several ways, but the most common are series and shunt regulator configurations. We’ll start with the classic series regulator, which is what you’ll usually see in adjustable power supply designs. This configuration offers high efficiency and good regulation. The series regulator circuit usually involves an input voltage, the LM723 IC, a few resistors, and a pass transistor (usually an external NPN transistor) to handle the output current. The LM723 controls the base current of the pass transistor, which, in turn, regulates the output voltage. It’s like the LM723 is the brain, and the pass transistor is the muscle, controlling the flow of current.

For a basic adjustable power supply, you’ll connect a potentiometer to the LM723 to set the output voltage. You can use a single potentiometer or a combination of fixed resistors and a potentiometer for finer control and wider voltage ranges. It is also common to see a current limiting circuit, which is another useful feature of the LM723. By adding a current-sense resistor, you can limit the maximum output current to protect the load and the power supply itself. When the current reaches a certain level, the LM723 reduces the output voltage, effectively limiting the current. This is a lifesaver when working with sensitive circuits. Also, you’ll need to add some capacitors for filtering the input voltage and stabilizing the output voltage. The capacitors smooth out the ripple from the input power supply and maintain a stable output. These are all pretty easy steps, making your power supply both functional and reliable.

Then there’s the shunt regulator configuration, which is a bit different. Shunt regulators are often used for simpler applications where the output current is relatively low and the input voltage is higher than the output voltage. In a shunt regulator, the LM723 controls a pass element (usually a transistor) connected in parallel with the load. The pass element shunts excess current to ground, regulating the output voltage. It’s like the pass element is a safety valve, protecting the load from voltage fluctuations. They are super handy for situations where you don’t need as much power or when dealing with noise filtering. The choice between series and shunt regulators depends on the specific application and the desired performance characteristics. Series regulators are typically preferred for applications requiring higher current and better regulation, while shunt regulators are simpler and more suitable for lower-power applications.

Designing Your Own LM723 Power Supply

Alright, let’s talk about how to design your own LM723 power supply . Designing a power supply involves selecting the appropriate components and configuring the LM723 IC to meet your specific requirements. First up, you need to determine the desired output voltage and current. Knowing your voltage and current needs is key, as this will influence your component choices and the overall design. Consider what you’ll be powering with your supply, and what voltage and current that device or circuit requires. You have to consider the input voltage range. This is the range of voltages that your power supply will accept as input. Your input voltage needs to be high enough to provide the desired output voltage, plus some margin for the regulator to operate. The LM723 can handle a wide range of input voltages, but you need to check the datasheet for the specific limits.

Component selection is where the real fun begins. You’ll need to choose resistors for setting the output voltage, and a pass transistor if you need more current than the LM723 can provide. The values of the resistors that determine the output voltage are crucial. By using a potentiometer or fixed resistors, you can set the output voltage to whatever value you need. The pass transistor needs to be rated to handle the output current and should have appropriate heat sinking. The pass transistor is the workhorse of your power supply. It handles the output current, so you need to select one that can handle the load. Make sure the transistor is mounted on a heat sink to dissipate any heat. Capacitors are your friends in this design. You’ll need input and output capacitors to filter noise and stabilize the voltage. These capacitors help to filter out any voltage ripples and ensure stable output.

Don’t forget the current limiting circuitry! Including current limiting is a smart move, protecting both your power supply and the connected load. A current-sense resistor, in combination with the LM723’s current limiting capabilities, prevents excessive current from flowing. This is like a safety net for your circuit. And last but not least, don’t forget a transformer, rectifier, and filter capacitor to provide the unregulated DC voltage for your power supply. This is the beginning of the power supply chain, converting AC power to the DC voltage needed by the LM723. Think of these steps as a recipe: you need the right ingredients (components) and instructions (schematics) to create your power supply masterpiece. Remember to always consult the datasheet for detailed component recommendations and design guidelines. The datasheet is your ultimate resource, so use it often.

Troubleshooting Common LM723 Power Supply Problems

Even the best-designed LM723 power supply can run into problems. Let’s look at some common issues and how to troubleshoot them. One of the first things to check is the output voltage. If the output voltage is incorrect or unstable, it’s the first sign something is amiss. Use a multimeter to measure the output voltage and compare it to the expected value. If it is way off, check your resistor values and potentiometer settings. The output voltage could be too low. This might indicate that the input voltage is too low, or that there’s a problem with the pass transistor or current limiting circuitry. A low output voltage can be caused by a faulty pass transistor or a short circuit in the output. Check for any shorts, and replace any damaged components.

If the output voltage is unstable, this could be caused by ripple in the input voltage or insufficient filtering. Check the input and output capacitors for any damage or insufficient capacitance. Make sure the filter capacitors are properly sized and functioning correctly. Ripple in the output can cause all sorts of problems. Another common issue is overheating. If the pass transistor or the LM723 IC gets too hot, it can indicate excessive current draw or inadequate heat sinking. Make sure the pass transistor is properly heat-sinked and that the current is within the design specifications. Proper heat sinking is critical for reliable operation, so don’t skimp on it!

Sometimes, the current limiting feature might be kicking in too early. If the current limiting is activating at too low a current, check the current-sense resistor. Make sure the current-sense resistor is the correct value. You might have accidentally selected the wrong resistor value, causing the current limiting to activate at an incorrect level. When troubleshooting, always start with the easiest checks first, like looking for obvious damage. Visually inspect the board for any burnt components, cracked solder joints, or damaged wires. Also, use a multimeter to check for continuity and shorts in the circuit. Remember to always double-check your connections and the polarity of capacitors before applying power. By systematically checking each aspect of the circuit, you can identify and resolve these common problems. Good luck, and happy troubleshooting!

Advanced LM723 Power Supply Applications

Ready to level up? Let’s explore some advanced LM723 power supply applications . Beyond the basics, the LM723 can be used in more complex circuits. One interesting application is a dual-tracking power supply, which provides both positive and negative voltages simultaneously. This is super useful for powering operational amplifiers and other circuits that need both positive and negative supplies. A dual-tracking power supply uses two LM723 circuits, one for the positive voltage and one for the negative voltage. These supplies have their own separate outputs, but they track each other, which means that the voltages change together in response to adjustments.

Another advanced application is a constant-current power supply. This is a supply that delivers a fixed current, regardless of the load voltage. This is super useful for powering LEDs, battery chargers, and other applications where a constant current is needed. In a constant-current power supply, the LM723 is used to control the output current, which is set by a current-sense resistor. These setups often incorporate additional circuitry to protect the load and ensure the output current remains constant. For higher-power applications, you can also use multiple LM723s in parallel to increase the output current capacity. By paralleling the outputs, you can increase the overall current handling capability of the power supply. You need to make sure you use current-sharing resistors to ensure that each LM723 shares the load equally. This helps to prevent any one LM723 from being overloaded. Finally, the LM723 can be integrated into more complex power management systems. This might involve using the LM723 as a pre-regulator in a more complex power supply architecture. With a bit of creativity, you can really push the boundaries of what’s possible with the LM723. So, go out there, experiment, and see what you can create!

Conclusion

So there you have it, folks! The LM723 power supply is a fantastic choice for a wide variety of applications. We’ve covered the basics of how it works, schematics, design considerations, troubleshooting tips, and even some advanced applications. Whether you’re a seasoned pro or a beginner, the LM723 offers a great way to learn about power supply design. It’s a versatile, reliable, and cost-effective chip that can be used to create a wide range of regulated power supplies. Now that you’ve got the knowledge, go forth and build something amazing! Happy building, and thanks for reading!